全國服務熱線
400-875-1500
400-875-1500
銷售熱線:13720093566

掃一掃,添加銷售經理
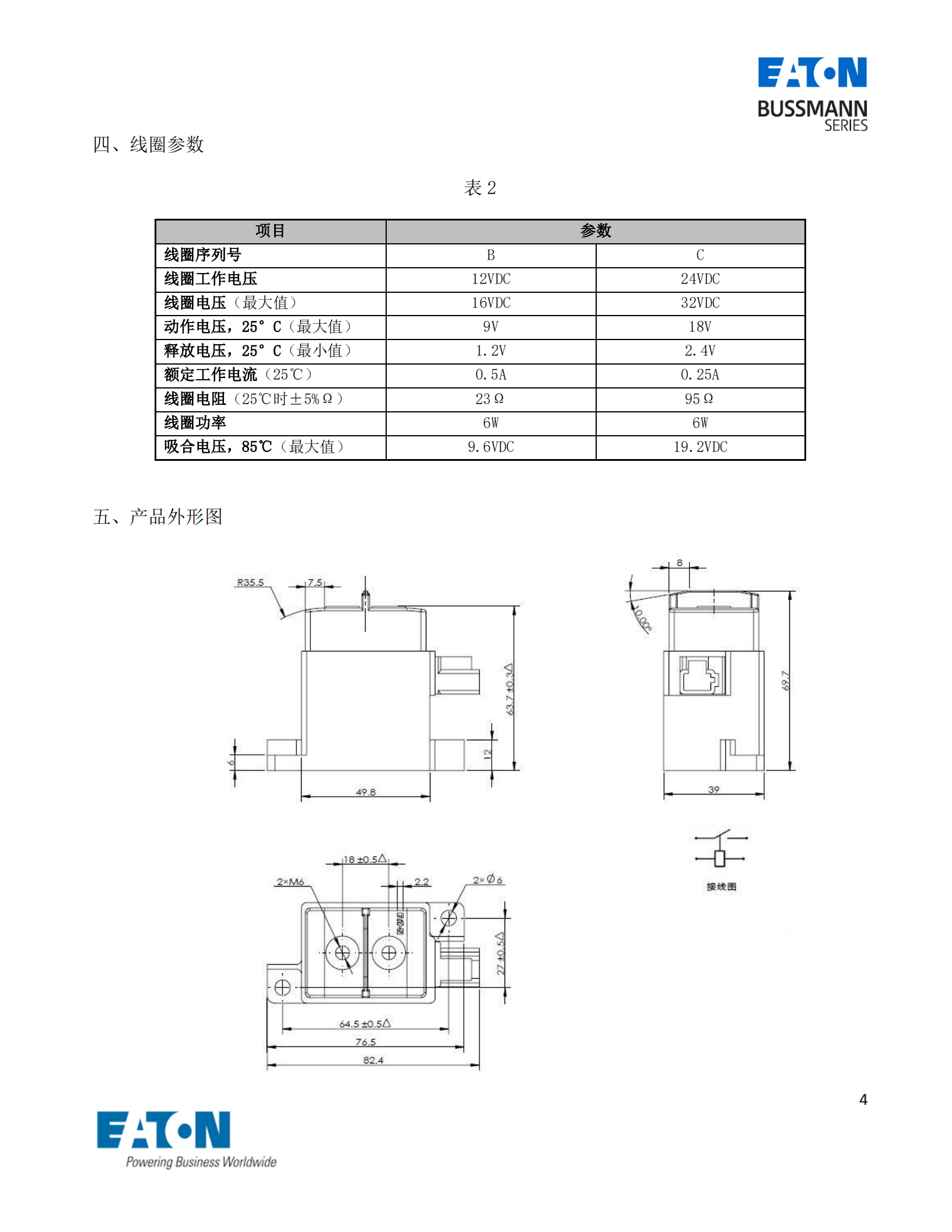
EVC-AB-100S直流接觸器
完全符合 RoHS 要求—對環境更友好
小型化—新技術提升同等體積的負載能
磁吹滅弧—利用永久磁鐵將電弧吹散拉長,提升滅弧能力;填充氣體—充入滅弧氣體,提升產品滅弧性能,防止觸點氧化
完全密封—觸點處于密封的環境當中,接觸電阻低而且穩定,可用于惡劣的環境下;
分享至:
- 產品介紹
- 視頻中心
- 相關證書
- 樣品申請






上一篇:沒有了 下一篇:沒有了
相關產品






銷售熱線
















